- Бренды:
- Все бренды
Baxi ECO FOUR 24 - настенный газовый сверхкомпактный котел четвертого поколения, продолжение известной в России серии ECO-3 Compact. В серии ECOFOUR представлены одноконтурные и двухконтурные модели с открытой и закрытой камерой сгорания мощностью до 24 кВт, и отличающиеся легкостью в установке, использовании и обслуживании.
Широкий жидкокристаллический дисплей - прост и удобен в обращении, непрерывно и точно отображает как текущее состояние котла, так и устанавливаемые параметры.
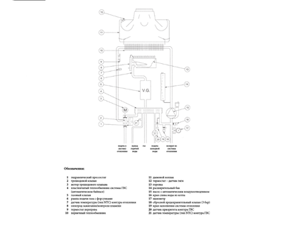
Газовая система
- Непрерывная электронная модуляция пламени в режимах отопления и ГВС;
- Плавное электронное зажигание;
- Котлы адаптированы к российским условиям. Устойчиво работают при понижении входного давления природного газа до 5 мбар;
- Рассекатели пламени на горелке изготовлены из нержавеющей стали;
- Запатентованная система регулирования подачи воздуха (модели с закрытой камерой);
- Возможна перенастройка для работы на сжиженном газе.
Гидравлическая система
- Датчик протока горячей воды;
- Первичный медный теплообменник, покрытый специальным составом для дополнительной защиты от коррозии;
- Вторичный пластинчатый теплообменник из нержавеющей стали (двухконтурные модели);
- Латунный трехходовой клапан с электрическим сервоприводом (двухконтурные модели);
- Высокоскоростной энергосберегающий циркуляционный насос с встроенным автоматическим воздухоотводчиком;
- Манометр;
- Автоматический байпас;
- Постциркуляция насоса;
- Фильтр на входе холодной воды;
- Возможность подключения внешнего накопительного бойлера для горячей воды;
- Возможность подключения к солнечным коллекторам.
Температурный контроль
- Два диапазона регулирования температуры в системе отопления: 30-85 оС и 30-45 оС (режим "теплые полы");
- Встроенная погодазависимая автоматика (возможность подключения датчика уличной температуры);
- Регулирование и автоматическое поддержание заданной температуры в контурах отопления и ГВС;
- Цифровая индикация температуры;
- Возможность подключения комнатного термостата и программируемого таймера.
Устройства контроля и безопасности
- Электронная система самодиагностики;
- Возможность вывода сигнала о блокировке котла на пульт диспетчера;
- Ионизационный контроль пламени;
- Система защиты от блокировки насоса (включается автоматически каждые 24 ч.);
- Система защиты от блокировки трехходового клапана (включается автоматически каждые 24 ч.);
- Защитный термостат от перегрева воды в первичном теплообменнике;
- Датчик тяги для контроля за безопасным удалением продуктов сгорания (пневмореле — для моделей с закрытой камерой сгорания, термостат — для моделей с открытой камерой);
- Прессостат в системе отопления — срабатывает при недостатке давления воды;
- Предохранительный клапан в контуре отопления (3 атм.);
- Система защиты от замерзания в контурах отоплния и ГВС.
Выгодная цена на котлы отопления и в частности настенный газовый котел baxi eco four 24 обусловлена, прежде всего, огромными запасами продукции на собственном складском хранении, сотрудничеством с производителями напрямую и большими партиями поставок.
Купить настенный газовый котел baxi eco four 24 возможно как, самовывозом со склада, так и доставкой по Нижнему Новгороду и области. Осуществляем отправку такой продукции как, котлы отопления, а так же другого отопительного, водогрейного и газового оборудования по всей России через транспортные компании или СДЕК. На все продаваемое отопительное и газовое оборудование имеются паспорт производителя, сертификат соответствия и качества.
